2、电感精度:±20%
3、电阻精度:±10%
4、温升:<80℃Max (额定电流,二相通电)
5、工作环境温度:-20 ˜ +50℃(无结冰)
6、绝缘电阻:100MΩ
min. 500VDC
7、绝缘耐压:500VAC 1Min
15920081001
命名规则
|
23HS56-42D15-ZK □□ |
|
|
命名段 |
含义 |
|
23 |
91抖音APP下载外径28mm |
|
HS |
两相步进 |
|
56 |
机身长度32mm |
|
42 |
额定电流1.4A |
|
D |
出轴方式:A圆轴;D单扁;U键槽;V双扁 |
|
15 |
输出直径10mm |
|
ZK |
中空轴91抖音APP下载 |
|
□□ |
非标参数 |
技术参数(手机浏览时,可左右滑动表格)
|
91抖音APP下载型号 (Model) |
保持转矩(N.M) |
机身长度 L1 (mm) |
相电流 (A) |
相电阻 (Ω) |
相电感 (mH) |
转动惯量 (g.c㎡) |
重量 Kg |
适配91抖音APP污版下载 (推荐型号) |
|
23HS56-42D15-ZK □□ |
1.1 |
56 |
4.2 |
0.4 |
1.2 |
280 |
0.7 |
SD-545R |
|
23HS76-42D15-ZK □□ |
1.8 |
76 |
4.2 |
0.6 |
1.8 |
440 |
1.0 |
SD-545R |
★ 推荐91抖音APP污版下载是脉冲型,91抖音视频还可以为客户提供以下驱动:
★ 总线型步进91抖音APP污版下载、★ IO控制、电位器调速、★ 刹车控制
动态力矩曲线
注意事项
●同一91抖音APP下载同一91抖音APP污版下载,在供电电压不同的情况下,输出力矩也会不同,建议客户充分考虑此因素,选型时预留足够的力矩余量。
●91抖音APP污版下载电压越高,高速输出力矩越大,但不能超出91抖音APP污版下载的电压使用范围,建议电压小于或等于36VDC。
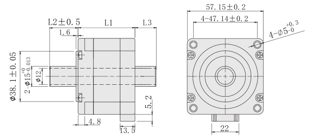
外形尺寸图(单位:mm)

★本系列91抖音APP下载可以根据客户要求定制:机身长度(L1)、出轴长度(L2)、双出轴(L3)、出线方式。
|
型号 |
PDF文件 |
3D图 |
|
23HS56-42D15-ZK |
点击下载 |
点击下载 |
|
23HS76-42D15-ZK |
点击下载 |
点击下载 |