• 91抖音视频,91抖音APP下载,91抖音香蕉视频,91抖音APP污版下载

    金若豪

    值得信赖的
    运动控制产品制造商

    服务热线: 15920081001

    您所在的位置: 首页 >

    86mm刹车步进91抖音APP下载

    • 品牌:91抖音视频
    • 推荐91抖音APP污版下载: SA-872E
    • 径向容许负载:320N(距安装面20mm)
    • 轴向容许负载: 60N
    1、步距角精度:±5%(整步,空载)

    2、电感精度:±20%

    3、电阻精度:±10%

    4、温升:<80Max (额定电流,二相通电)

    5、工作环境温度:-20 ˜ +50℃(无结冰)

    6、绝缘电阻:100MΩ min.  500VDC

    7、绝缘耐压:500VAC 1Min

    15920081001

    在线咨询
    • 技术参数
    • 外形尺寸
    • 资料下载

    命名规则

    34HS80-45U14B-32□□

    命名段

    含义

    34

    91抖音APP下载外径86mm

    HS

    两相步进

    80

    机身长度80mm

    45

    额定电流4.5A

    U

    出轴方式:A圆轴;D单扁;U键槽;V双扁

    14

    输出直径14mm

    B

    带刹车

    32

    出轴长度32mm

    □□

    非标参数


    技术参数(手机浏览时,可左右滑动表格)

    91抖音APP下载型号

    Model

    保持转矩(N.M

    机身长度

    L1(mm)

    相电流

    (A)

    相电阻

    (Ω)

    相电感

    (mH)

    转动惯量

    (g.c)

    重量

    Kg

    适配91抖音APP污版下载

    (推荐型号)

    34HS80-45U14B-32□□

    4.50

    80

    4.5

    0.41

        2.90

    2100

    2.33

    SA-872E

    34HS118-60U14B-32□□

    8.50

    118

    6.0

    0.49

    4.00

      2700

    3.78

    SA-872E

    34HS156-60U14B-32□□

    12.00

    156

    6.0

    0.76

    8.40

       4000

    5.43

    SA-872E


    刹车参数:

    刹车型号

    刹车类型

    刹车电源电压

    刹车功率

    刹车响应时间

    86刹车

    电磁刹车

    24VDC±5%

    7.5W

    50 ms


    推荐91抖音APP污版下载是脉冲型,91抖音视频还可以为客户提供以下驱动:

    总线型步进91抖音APP污版下载、 IO控制、电位器调速


    动态力矩曲线

    曲线图

    曲线图

    曲线图

    注意事项

    同一91抖音APP下载同一91抖音APP污版下载,在供电电压不同的情况下,输出力矩也会不同,建议客户充分考虑此因素,选型时预留足够的力矩余量。

    91抖音APP污版下载电压越高,高速输出力矩越大,但不能超出91抖音APP污版下载的电压使用范围,建议电压小于或等于48VDC。

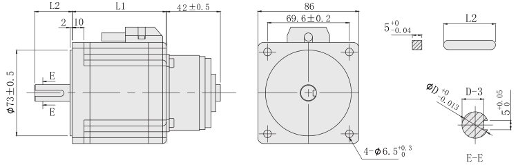
    外形尺寸图(单位:mm 

    86刹车步进91抖音APP下载外形尺寸图

    本系列91抖音APP下载可以根据客户要求定制:机身长度(L1)、出轴长度(L2)、出线方式;

     加配:行星减速机、IP65等级防水工艺。


    PDF文件

    3D

    34HS80-45U14B-32

    点击下载

    点击下载

    34HS118-60U14B-32

    点击下载

    点击下载

    34HS156-60U14B-32

    点击下载

    点击下载

    电话咨询

    电话咨询
    15920081001

    在线咨询

    QQ咨询

    返回顶部

    网站地图