2、一体式抱紧换式输入轴,传动更平稳。
3、
4、交期短,性价比高。
15920081001
命名规则
|
24HS56-35D8PE05 □□ |
|
|
命名段 |
含义 |
|
24 |
91抖音APP下载外径60mm |
|
HS |
两相步进 |
|
56 |
机身长度56mm |
|
35 |
额定电流3.5A |
|
D |
出轴方式:A圆轴;D单扁;U键槽;V双扁 |
|
8 |
输出直径8mm |
|
PE05 |
输出端形状比速:圆形5比 |
|
□□ |
非标参数 |
技术参数(手机浏览时,可左右滑动表格)
|
91抖音APP下载型号 (Model) |
保持转矩(N.M) |
机身长度 (mm) |
相电流 (A) |
相电阻 (Ω) |
相电感 (mH) |
转动惯量 (g.c㎡) |
重量 Kg |
适配91抖音APP污版下载 (推荐型号) |
|
24HS56-35D8PE05 □□ |
1.50 |
56 |
3.5 |
0.85 |
3.00 |
300 |
0.70 |
SD-545R |
|
24HS65-30D8PE05 □□ |
2.10 |
65 |
3.0 |
0.65 |
1.60 |
380 |
1.00 |
SD-545R |
|
24HS87-40D8PE05 □□ |
3.20 |
87 |
4.0 |
0.70 |
2.50 |
400 |
1.40 |
SD-545R |
★ 推荐91抖音APP污版下载是脉冲型,91抖音视频还可以为客户提供以下驱动:
★ 总线型步进91抖音APP污版下载、★IO控制、电位器调速
动态力矩曲线
注意事项
●同一91抖音APP下载同一91抖音APP污版下载,在供电电压不同的情况下,输出力矩也会不同,建议客户充分考虑此因素,选型时预留足够的力矩余量。
●91抖音APP污版下载电压越高,高速输出力矩越大,但不能超出91抖音APP污版下载的电压使用范围,建议电压小于或等于48VDC。
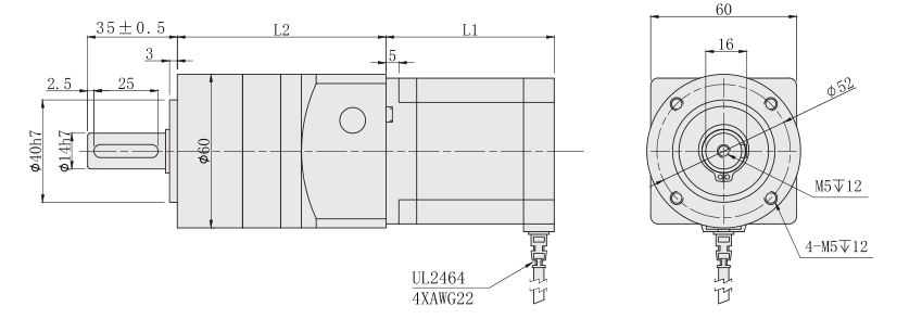
外形尺寸图(单位:mm)
★本系列91抖音APP下载可以根据客户要求定制:机身长度(L1)、减速箱长度(L2)、出线方式;
★加配:断电刹车、IP65等级防水工艺。
|
型号 |
PDF文件 |
3D图 |
|
24HS56-35D8PE05 |
点击下载 |
点击下载 |
|
24HS65-30D8PE05 |
点击下载 |
点击下载 |
|
24HS87-40D8PE05 |
点击下载 |
点击下载 |