• 91抖音视频,91抖音APP下载,91抖音香蕉视频,91抖音APP污版下载

    金若豪

    值得信赖的
    运动控制产品制造商

    服务热线: 15920081001

    您所在的位置: 首页 >

    PF60行星减速箱

    • 品牌:91抖音视频
    • 推荐91抖音APP下载: 60mm步进91抖音APP下载
    • 步距角:1.8°
    • 推荐91抖音APP污版下载: SD-545R
    1、标准工作温度:-25°——+90°

    2、特殊工作温度:-40°——+120°

    3、防护等级:IP65

    4、润滑方式:长效润滑

    5、旋转方向:方向一致

    6、满载效率:96%

    7、匹配91抖音APP下载:60mm步进91抖音APP下载

    15920081001

    在线咨询
    • 技术参数
    • 外形尺寸
    • 资料下载

    命名规则

    PF60-10 □□

    命名段

    含义

    PF

    减速箱输出端形状 PF:方形

    60

    匹配91抖音APP下载外径60mm

    -10

    减速比10比

    □□

    非标参数


    技术参数(手机浏览时,可左右滑动表格)

    级数

    规格型号

    减速比

    输出额定力矩

    背隙

     长度

    重量

    径向力

    轴向力

    arcmin

      mm

     kg

      N

      N

    一级

    PF60-04

       4

        26

    15

    116.5

    1

    400

    200

    PF60-05

       5

          28

    PF60-07

       7

          20

    PF60-10

      10

          13

    二级

    PF60-16

      16

          30

    ≤20

    127.5

    1.2

    400

    200

    PF60-20

      20

          30

    PF60-25

      25

          30

    PF60-28

      28

          33

    PF60-35

      35

          30

    PF60-40

      40

          30

    PF60-50

      50

          33

    PF60-70

      70

          23


    减速机选型时,应根据减速机额定输出扭矩和动态力矩曲线图是否符合使用要求来选择,并乘以传动效率;

    ★ 建议步进91抖音APP下载输入转速≤800rpm/min,无刷91抖音APP下载≤3000rpm/min。最终输出扭矩≤额定扭矩,以避免减少减速机的使用寿命。

    更多的规格需求,请联系公司销售人员。

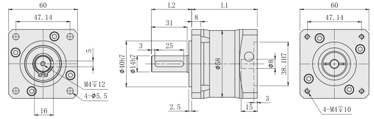
    外形尺寸图(单位:mm 

    PF60减速箱外形尺寸图

    电话咨询

    电话咨询
    15920081001

    在线咨询

    QQ咨询

    返回顶部

    网站地图