2、特殊工作温度:-40°——+120°
3、防护等级:IP65
4、润滑方式:长效润滑
5、旋转方向:方向一致
6、满载效率:96%
7、匹配91抖音APP下载:42mm步进91抖音APP下载
15920081001
命名规则
|
PE42-10 □□ |
|
|
命名段 |
含义 |
|
PE |
减速箱输出端形状 PE:圆形 |
|
42 |
匹配91抖音APP下载外径42mm |
|
-10 |
减速比10比 |
|
□□ |
非标参数 |
技术参数(手机浏览时,可左右滑动表格)
|
级数 |
规格型号 |
减速比 |
输出额定力矩 |
背隙 |
长度 |
重量 |
径向力 |
轴向力 |
|
arcmin |
mm |
kg |
N |
N |
||||
|
一级 |
PE42-04 |
4 |
8 |
≤15 |
40 |
0.25 |
260 |
80 |
|
PE42-05 |
5 |
7 |
||||||
|
PE42-07 |
7 |
6 |
||||||
|
PE42-10 |
10 |
4 |
||||||
|
二级
|
PE42-16 |
16 |
11 |
≤20 |
51 |
0.35 |
260 |
80 |
|
PE42-20 |
20 |
10 |
||||||
|
PE42-25 |
25 |
8 |
||||||
|
PE42-28 |
28 |
9 |
||||||
|
PE42-35 |
35 |
8 |
||||||
|
PE42-40 |
40 |
8 |
||||||
|
PE42-50 |
50 |
7 |
||||||
|
PE42-70 |
70 |
6 |
★ 减速机选型时,应根据减速机额定输出扭矩和动态力矩曲线图是否符合使用要求来选择,并乘以传动效率;
★ 建议步进91抖音APP下载输入转速≤800rpm/min,无刷91抖音APP下载≤3000rpm/min。最终输出扭矩≤额定扭矩,以避免减少减速机的使用寿命。
★ 更多的规格需求,请联系公司销售人员。
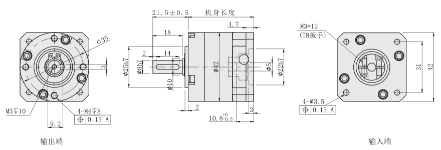
外形尺寸图(单位:mm)