• 91抖音视频,91抖音APP下载,91抖音香蕉视频,91抖音APP污版下载

    金若豪

    值得信赖的
    运动控制产品制造商

    服务热线: 15920081001

    您所在的位置: 首页 >

    60mm滚珠丝杆91抖音APP下载

    • 品牌:91抖音视频
    • 推荐91抖音APP污版下载: SD-545R
    • 步距角:1.8°/步
    • 可非标定制
    1、步距角精度:±5%(整步,空载)

    2、电感精度:±20%

    3、电阻精度:±10%

    4、温升:<80Max (额定电流,二相通电)

    5、工作环境温度:-20 ˜ +50℃(无结冰)

    6、绝缘电阻:100MΩ min.  500VDC

    7、可非标定制

    15920081001

    在线咨询
    • 技术参数
    • 外形尺寸
    • 资料下载

    命名规则

    24E55-50BS1202-100-B □□

    命名段

    含义

    24

    91抖音APP下载外径60mm

    E

    外部驱动式  N 贯通轴式  C贯通-固定轴式

    55

    机身长度55mm

    50

    额定电流5.0A

    BS1202

    BS1202代表 丝杆直径12mm,导程2mm

    100

    丝杆长度 100mm

    B

    A:消隙螺母;   B:刹车;   C:编码器

    □□

    非标参数


    技术参数(手机浏览时,可左右滑动表格)

    91抖音APP下载规格

    ( Model)

    机身长度

    (mm)

    相电流

    (A)

    相 电 阻

    (Ω)

    相电感

    (mH)

    转动惯量

    (g.c)

    重量

    Kg

    适配91抖音APP污版下载

    (推荐型号)

    24

    55

    5.0

    0.42

    1.3

    340

    0.76

    SD-545R

    24

    75

    5.0

    0.57

    1.98

    590

    1.00

    SD-545R

    ★ 以上产品为代表性产品,派生产品可根据客户要求制作。


    动态力矩曲线

    测试条件:恒流驱动,无加速度,2细分,驱动电压40V。

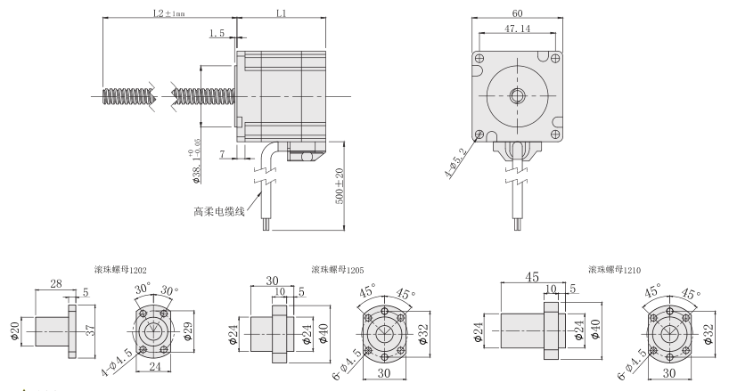
    外形尺寸图(单位:mm

    60mm滚珠丝杆91抖音APP下载尺寸图


    本系列91抖音APP下载可以根据客户要求定制丝杆长度(L2) 、丝杆端部;

    加配断电刹车、编码器。

    电话咨询

    电话咨询
    15920081001

    在线咨询

    QQ咨询

    返回顶部

    网站地图