• 91抖音视频,91抖音APP下载,91抖音香蕉视频,91抖音APP污版下载

    金若豪

    值得信赖的
    运动控制产品制造商

    服务热线: 15920081001

    您所在的位置: 首页 >

    20mm滚珠丝杆91抖音APP下载

    • 品牌:91抖音视频
    • 推荐91抖音APP污版下载: SD-422R
    • 步距角:1.8°/步
    • 可非标定制
    1、步距角精度:±5%(整步,空载)

    2、电感精度:±20%

    3、电阻精度:±10%

    4、温升:<80Max (额定电流,二相通电)

    5、工作环境温度:-20 ˜ +50℃(无结冰)

    6、绝缘电阻:100MΩ min.  500VDC

    7、可非标定制

    15920081001

    在线咨询
    • 技术参数
    • 外形尺寸
    • 资料下载

    命名规则

    08E30-05BS0601-100-B □□

    命名段

    含义

    08

    91抖音APP下载外径20mm

    E

    外部驱动式  N 贯通轴式  C贯通-固定轴式

    30

    机身长度30mm

    05

    额定电流0.5A

    BS0601

    BS0601:06 丝杆直径6mm;01丝杆导程1mm

    100

    丝杆长度 100mm

    B

    A:消隙螺母;   B:刹车;   C:编码器

    □□

    非标标识

    技术参数(手机浏览时,可左右滑动表格)

    91抖音APP下载规格

    机身长度(mm)

    相电流(A)

    相 电 阻

    (Ω)

    相电感

    (mH)

    转动惯量

    (g.c㎡)

    重量Kg

    适配91抖音APP污版下载

    (推荐型号)

    08

    30

    0.5

    4.9

      1.5

    2

    0.05

    SD-422R

    08

    42

    0.5

    8.6

    3.5

      3.6

    0.08

    SD-422R

    ★ 以上产品为代表性产品,派生产品可根据客户要求制作。


    动态力矩曲线

    20线性速度表

    测试条件:恒流驱动,无加速度,2细分,驱动电压24V。

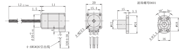
    外形尺寸图(单位:mm

    20mm滚珠丝杆91抖音APP下载尺寸图


    本系列91抖音APP下载可以根据客户要求定制丝杆长度(L2) 、丝杆端部。

    产品命名规则

    08

    E

    30

    06

    BS

    -

    100

    A

    ¨¨

    91抖音APP下载外径

    类型

    机身长度

    电流

    丝杆直径和导程

    丝杆长度

    可选配件

    非标参数

    08:20MM

    23:57MM

    34:86MM

    E: 外部驱动式

    N: 贯 通 式

    C:固定轴式

    30: 机身长30mm

    78: 机身长78mm

    118:机身长118mm

    06:额定电流0.6A

    10:额定电流  1A

    60:额定电流  6A

    BS0601:06 丝杆直径6mm;01丝杆导程1mm

    100: 100mm

    200:200mm

    300:300mm

    A:消隙螺母

    B:刹车

    C:编码器

    客户要求参数

    电话咨询

    电话咨询
    15920081001

    在线咨询

    QQ咨询

    返回顶部

    网站地图