• 91抖音视频,91抖音APP下载,91抖音香蕉视频,91抖音APP污版下载

    金若豪

    值得信赖的
    运动控制产品制造商

    服务热线: 15920081001

    您所在的位置: 首页 >

    DH60中空旋转平台

    • 品牌:91抖音视频
    • 适配马达:42步进马达
    • 适配马达:50/100W AC伺服马达
    • 可配各品牌伺服或步进马达
    1、高精度,定位精度小于1arcmin

    2、重复精度可达5arcsec

    3、盘面运转平稳,顺畅,且快速定位

    4、安装方便,旋转面可直接锁固工作物

    5、寿命长,选用高硬度,高密度齿轮为材料

    6、可配各种品牌伺服或步进马达

    7、交期快

    15920081001

    在线咨询
    • 技术参数
    • 外形尺寸
    • 资料下载

    命名规则

    DH60G05-N □□

    命名段

    含义

    DH

    旋转平台

    60

    91抖音APP下载外径60mm

    G

    G:行星减速机  T:直角减速机

    05

    减速比:5

    N

    选配91抖音APP下载:N伺服91抖音APP下载;S步进91抖音APP下载

    □□

    非标参数


    技术参数(手机浏览时,可左右滑动表格)

    适配马达

    42步进马达

    50/100W AC伺服马达

    旋转平台轴承

    交叉滚子轴承

    减速比

    1:05

    容许转矩

    5N.m

    转动惯量

    4300*10¯kg.

    允许转速

    200r/min

    容许惯性载量

    20N.m

    容许轴向载重

    100N.m

    定位精度

    ±0.5arcmin

    重复定位精度

    ±5arcmin

    旋转平台台面偏差

    ±0.005mm

    旋转平台平行度

    ±0.015mm

    旋转平台同心度

    ±0.01mm

    保护等级

    IP40

    重量

    0.6kg


    本公司产品不断更新,若有不符以实物为准,若有特殊尺寸要求,请联系本公司技术人员。

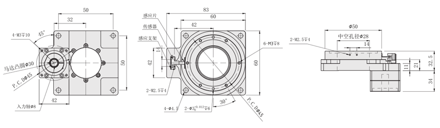
    外形尺寸图(单位:mm

    DH60中空旋转平台外形尺寸图

    电话咨询

    电话咨询
    15920081001

    在线咨询

    QQ咨询

    返回顶部

    网站地图