2、功率密度高,机身短
3、安装尺寸直流伺服兼容
4、最高可达三倍过载
5、编码器精度可选
6、编码器类别可选
7、可非标定制
15920081001
命名规则
|
ECL 80 750 M 5 2500 M -48 -19 -BK / -GP |
|
|
命名段 |
含义 |
|
ECL |
低压伺服91抖音APP下载 |
|
80 |
91抖音APP下载外径:60mm |
|
750 |
91抖音APP下载功率:750W |
|
M |
M系列 |
|
5 |
极对数:5对极 |
|
2500 |
编码器精度 = 1 * GB3 ① |
|
M |
编码器类别 = 2 * GB3 ② |
|
48 |
电压规格:48V |
|
19 |
轴径:19mm |
|
BK |
带刹车 |
|
GP |
带减速机 |
代码名称说明
|
① |
编码器精度 |
1000:1000PPR 1250:1250PPR 2500:2500PPR |
|
② |
编码器类别 |
③ E:光电编码器 M:磁编码器 |
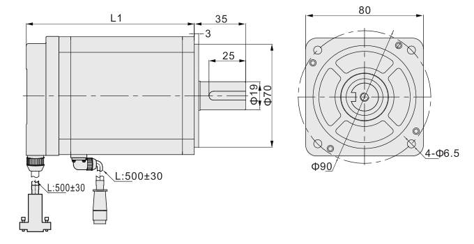
技术参数(手机浏览时,可左右滑动表格)
|
型号 |
功率 W |
电压 VDC |
电流 A |
法兰 MM |
轴径 MM |
转速 RPM |
扭矩 N.m |
编码器 PPR |
机身 长度L1 |
刹车 机身长度L2 |
适配 91抖音APP污版下载 |
|
ELC80750M5-2500M-48-19 |
750 |
48 |
20.1 |
80 |
19 |
3000 |
2.4 |
2500 |
122 |
162 |
ESD850 |
外形尺寸图(单位:mm)