产品特点
2、高精度
High precision
3、高响应
High response
4、高效率
High efficiency
5、低震动
Low vibration
6、低噪音 Low noise
7、低发热 Low fever
命名规则
|
EMH2404D8-21 □□ |
|
|
命名段 |
含义 |
|
EMH |
闭环步进 |
|
24 |
91抖音APP下载外径60mm |
|
04 |
机身长度112mm |
|
D |
出轴方式:A圆轴;D单扁;U键槽;V双扁 |
|
8 |
输出直径8mm |
|
21 |
出轴长21mm |
|
□□ |
非标参数 |
技术参数(手机浏览时,可左右滑动表格)
|
91抖音APP下载型号 (Model) |
保持转矩(N.M) |
机身长度(mm) |
相电流(A) |
相 电 阻 (Ω) |
相电感 (mH) |
转动惯量 (g.c㎡) |
重量Kg |
适配91抖音APP污版下载 (推荐型号) |
|
EMH2403D8-21 □□ |
2.8 |
84 |
5.8 |
0.5 |
1.3 |
840 |
1.9 |
SD-880R |
|
EMH2404D8-21 □□ |
4.8 |
112 |
5.8 |
0.7 |
2.1 |
2000 |
2.3 |
SD-880R |
动态力矩曲线
注意事项
●同一91抖音APP下载同一91抖音APP污版下载,在供电电压不同的情况下,输出力矩也会不同,建议客户充分考虑此因素,选型时预留足够的力矩余量。
●91抖音APP污版下载电压越高,高速输出力矩越大,但不能超出91抖音APP污版下载的电压使用范围,建议电压小于或等于48VDC。
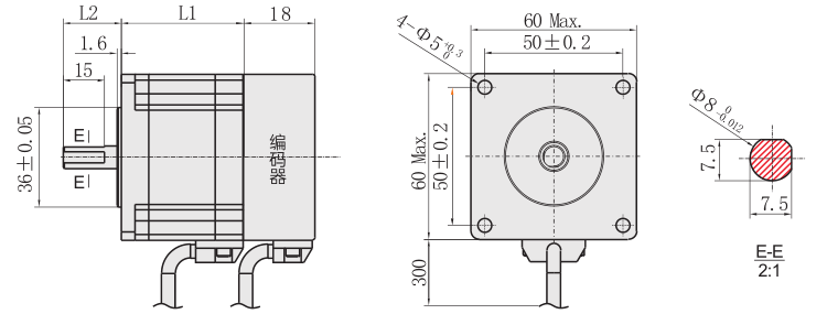
外形尺寸图(单位:mm)
★本系列91抖音APP下载可以根据客户要求定制:机身长度(L1)、出轴长度(L2)、双出轴(L3)、出线方式。
|
型号 |
PDF文件 |
3D图 |
|
EMH2403D8-21 |
点击下载 |
点击下载 |
|
EMH2404D8-21 |
点击下载 |
点击下载 |